Chapter Notes – Fluids
FLUID STATICS
It refers to the state when there is no relative velocity between fluid elements. In this section we will learn some of the properties of the fluid statics.
Pressure
The pressure exerted by a fluid is defined as the force per unit area at a point within the fluid. Consider an element of area DA as shown in figure on which an external force DF is acting normal to the surface. The average pressure in the fluid at the position of the element is given by
pav=ΔFΔA
As ΔA→0, the element reduces to a point, and thus, pressure at a point is defined as
p=LimΔA→0ΔFΔA=dFdA
When the force is constant over the surface A, the above equation reduces to
p=FA
The SI unit of pressure Nm-2 and is also called pascal (Pa).
The other common pressure unit are the atmosphere and bar.
1atm=1.01325×105Pa
1bar=1.00000×105Pa
Example 1
Atmospheric pressure is about 1.01×105 Pa. How large a force does the atmosphere exert on a 2 cm2 area on the top of your head?
Solution
Because p = F/A, where F is perpendicular to A, we have F = pA. Assuming that 2 cm2 of your head is flat (nearly correct) and that the force due to the atmosphere is perpendicular to the surface (as it is), we have
F=pA=(1.01×105N/m2)(2×10−4m2)≈20N
Pressure is Isotropic
Imagine a static fluid and consider a small cubic element of it deep within the fluid as shown in figure. Since this fluid element is in equilibrium, therefore, forces acting on each lateral face of this element must also be equal in magnitude. Because the areas of each face are equal, therefore, the pressure on each of the lateral faces must also be the same. In the limit as the cube element reduces to a point, the forces on the top and bottom surfaces also become equal. Thus, the pressure exerted by a fluid at a point is the same in all directions –– the pressure is isotropic.
Since the fluid cannot support a shear stress, the force exerted by a fluid pressure must also be perpendicular to the surface of the container that holds it.
The Incompressible Fluid Model
For an incompressible fluid, the density r the fluid remains constant throughout its volume. It is a good assumption for liquids. To find pressure at the point A in a fluid column as shown in the figure is obtained by integrating the above equation
dp=ρgdh
or ∫popdp=ρg∫0hdh or p−po=ρgh
or p+po=ρgh
where ρ is the density of the fluid, and
po is the atmospheric pressure at the free surface of the liquid.
Absolute Pressure and Gauge Pressure
Absolute pressure is the total pressure at a point while gauge pressure is relative to the local atmospheric pressure. Gauge pressure may be positive or negative depending upon the fact whether the pressure is more or less than the atmospheric pressure.
pgauge = pabsolute – patm
Pascal’s Law
According to equation
p=po+ρgh
pressure at any depth h in a fluid may be increased by increasing the pressure po at the surface. Pascal recognized a consequence of this fact that we now call Pascal’s Law.
A pressure applied to a confined fluid at rest is transmitted equally undiminished to every part of the fluid and the walls of the container.
This principle is used in a hydraulic jack or lift, as shown in the figure.
The pressure due to a small force F1 applied to a piston of area A1 is transmitted to the larger piston of area A2. The pressure at the two pistons is the same because they are at the same level.
p=F1A1=F2A2
or F2=(A2A1)F
Consequently, the force on the larger piston is large.
Thus, a small force F1 acting on a small area A1 results in a larger force F2 acting on a larger area A2.
Example 2
Find the absolute pressure and gauge pressure at points A, B and C as shown in the figure. (1 atm = 105 Pa)
Solution
patm = 105 Pa
Example 3
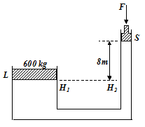
For the system shown in figure, the cylinder on the left, at L, has a mass of 600 kg and a cross-sectional area of 800 cm2. The piston on the right, at S, has cross-sectional area 25 cm2 and negligible weight. If the apparatus is filled with oil (r = 0.78 g/cm3), find the force F required to hold the system in equilibrium as shown in figure
Solution
The pressures at point H1 and H2 are equal because they are at the same level in the single connected fluid. Therefore
Pressure at H1 = Pressure at H2
(Pressure due to left piston) = (Pressure due to F and right piston)+ (pressure due to 8m of oil)
(600)(9.8)N0.08m2=F25×10−4m2+(8m)(780kg/m3)(9.8m/s2)
After solving, we get, F = 31 N.
The Venturi Meter
The venturimeter is used to measure flow velocities in an incompressible fluid.
It consists of a manometer containing a liquid of density rm connected to two points of a horizontal tube. The speed v of the liquid (density r) flowing through the tube at the wide neck of area A1 is to be measured.
From Bernoulli’s equation and the equation of continuity,
P1+12ρv21=P2+12ρv21A2a2 also P1−P2=ρmgh=12ρv21(A2a2−1)

Buoyancy: Archimedes’ Principle
If a body is partially or wholly immersed in a fluid, it experiences an upward force due to the fluid surrounding it.
The phenomenon of force exerted by fluid on the body is called buoyancy and the force is called buoyant force.
A body experiences buoyant force whether it floats or sinks, under its own weight or due to other forces applied on it.
Archimedes Principle
A body immersed in a fluid experiences an upward buoyant force equivalent to the weight of the fluid displaced by it.
Example 4
When a 2.5 kg crown is immersed in water, it has an apparent weight of 22 N. What is the density of the crown?
Solution
Let W = actual weight of the crown
W′ = apparent weight of the crown
ρ = density of crown
ρ0 = density of water
The buoyant force is given by
FB=W−W′
ρoVg=W−W′
Since W=ρVg therefore V=Wρg
Eliminating V from the above two equations, we get
ρ=ρoWW−W′
here, W=25N;W′=22N;ρ0=103kgm−3
ρ=(103)(25)25−22=8.3×103kg m-3
FLOW OF FLUID
In order to describe the motion of a fluid, in principle one might apply Newton’s laws to a particle (a small volume element of fluid) and follow its progress in time. This is a difficult approach. Instead, we consider the properties of the fluid, such as velocity and pressure, at fixed points in space.
In order to simplify the discussion we make several assumptions:
(i) The fluid is non viscous
There is no dissipation of energy due to internal friction between adjacent layer in the fluid.
(ii) The flow is steady
The velocity and pressure at each point are constant in time
(iii) The flow is irrotational:
A tiny paddle wheel placed in the liquid will not rotate.
In rotational flow, for example, in eddies, the fluid has net angular momentum about a given point.
The Principle of Continuity
In general, the velocity of a particle will not be constant along a streamline. The density and the cross-sectional area of a tube of flow will also change. Consider two sections of a tube of flow, as shown in figure. The mass of fluid contained in a small cylinder of length Δl1 and area A1 is
Δm1=ρ1A1Δl1.
Since fluid does not leave the tube of flow, this mass will later pass through a cylinder of length Δl2 and area A2. The mass in this cylinder is Δm2=ρ2A2Δl2. The lengths Dl1 and Dl2 are related to the speeds at the respective locations: Δl1 = v1Δt and Δl2 = v2Δt. Since no mass is lost or gained.
Δm1=Δm2, and
ρ1A1v1=ρ2A2v2
This is called the equation of continuity. It is a statement of the conservation of mass.
If the fluid is incompressible, its density remains unchanged. This is a good approximation for liquid, but not for gases. If ρ1=ρ2, the equation becomes,
A1v1 = A1v2
The product Av is the volume rate of flow (m3/s). Figure shows a pipe whose cross section narrows. From equation we conclude that the speed of a fluid is greatest where the cross-sectional area is the least. Notice that the streamlines are close together where the speed is higher.

Bernoulli’s Equation
Let us focus our attention on the motion of the shaded region. This is our “system”. the lower cylindrical element of fluid of length Dl1 and area A1 is at height y1, and moves at speed v1. After some time, the leading section of our system fills the upper cylinder of fluid of length Dl2 and area A2 at height y2, and is then moving at speed v2.
A pressure force F1 acts on the lower cylinder due to fluid to its left , and a pressure force F1 acts on the upper cylinder in the opposite direction. The net work done on the system by F1 and F2 is
W=F1Δl1−F2Δl2=P1A1Δl1−P2A2Δl2=(P1−P2)ΔV
where we have used the relations F = PA and
DV = A1Dl1 = A2Dl2. The net effect of the motion of the system is to raise the height of the lower cylinder of mass Dm and to change its speed. The changes in the potential and kinetic energies are
ΔU=Δmg(y2−y1)
ΔK=12Δm(v22−v12)
These changes are brought about by the net work done on the system,
W=ΔU+ΔK
(P1 – P2)DΔV=Δmg(y2−y1)+Δm(v22−v12)
Since the density is ρ=Δm/ΔV, we have
p1+ρgy1+12ρv12=p2+ρgy2+ρv22
Since the points 1 and 2 can be chosen arbitrarily, we can express this result as Bernoulli’s Equation
p+ρgy+ρv2=constant
Daniel Bernoulli derived this equation in 1738. It is applied to all points along a streamline in a nonviscous, incompressible fluid.
Example 5
A siphon tube is discharging a liquid of specific gravity 0.9 from a reservoir as shown in the figure
(a) Find the velocity of the liquid through the siphon
(b) Find the pressure at the highest point B.
(c) Find the pressure at the points A(out side the tube) and C.
State and explain the following :
(d) Would the rate of flow be more, less or the same if the liquid were water
(e) Is there a limit on the maximum height of B above the liquid level in the reservoir?
(f) Is there a limit on the vertical depth of the right limb of the siphon?
Solution
Assume datum at the free surface of the liquid.
(a) Applying Bernoulli’s equation on point 1 and 2 , as shown in the figure.
p1ρg+v212g+y1=p2ρg+v222g+y2
Here p1 = p2 = p0 = 105 N/m2 ; y1 = 0, y2 = -5 m
Since area of the tube is very small as compared to that of the reservoir, therefore,
v1<<v2 thus v212g≈0
v2=2g(y1−y2)−−−−−−−−−√=2(10)(5)−−−−−−−√=10m/s
(b) Applying Bernoulli’s equation at 1 and B.
pBρg+v2B2g+yB=p1ρg+v212g+y1
Here, p1 = 105 N/m2 ;v212g≈0
y1 = 0, vB = v2 = 10m/s, yB = 1.5 m
pB=p1−12ρv22−ρgyB
pB = 105 – 12(900)(10)2 – (900)(10)(1.5)
= 41.5 kN/m2
(c) Applying Bernoulli’s equation at 1 and A
pA=p1+ρg(y1−yA)
pA = 105 + (900)(10)(1) = 109 kN/m2.
Applying Bernoulli’s equation at 1 and C,
pc=p1−12ρv2C−ρgyC
= 105 –12 (900)(10)2 – (900)(10)(-1) = 105 – 45000 + 9000 = 64 kN/m2.
(d) The velocity of flow is independent of the density of the liquid , therefore, the discharge would remain the same.
(e) Since the pressure at B is less than atmospheric, the liquid, therefore, has a tendency to get vapourised if the pressure becomes equal to the vapour pressure of it. Thus , pB > pvapour.
(f) The velocity of flow depends on the depth of the point D, below the free surface
v22g=y1−y2=H and pB=p1−12ρv2−ρgyB=p1−ρgH−ρgyB
For working of siphon , H ¹ 0, and H should not be high enough so that pB may not reduce to vapour pressure.
Example 6
A garden hose has an inside cross-sectional area of 3.60 cm2, and the opening in the nozzle is 0.250 cm2. If the water velocity is 50 m/s in a segment of the hose that lies on the ground
(a) With what velocity does the water come from the nozzle when it is held 1.50 m above the ground and
(b) What is the water pressure in the hose on the ground?

Solution
(a) The problem is illustrated in figure. We first apply the Equation of Continuity, to find the velocity of the fluid at the nozzle.
v2=A1A2v1=(3.6cm20.25cm2)(50cms−1)=720cms−1=7.2ms−1
(b) We next apply Bernoulli’s Equation to find the pressure p1. We know that
h1 = 0 and h2 = 1.5 m.
The pressure at the nozzle is atmospheric pressure
p2 = 1.01 ´ 105Pa.
Solving for p1 and using the density of water
r = 1 ´ 103 kg/m3, we have
p1=p2+12ρ(v22−v21)+ρg(h2−h1)
= (1.01 ´ 105) + (1 ´ 103)[(7.2)2 – (0.50)2] + (1 ´ 103)(9.8)(1.5 – 0) = 1.41 ´ 105 Pa
Reynold’s number
Osbrone Reynolds observed that viscous fluids flowing at low rates are less likely to turbulent flow. He defined a dimensionless number whose value gives an approximate idea whether the flow would be turbulent. The number called as Reynold’s number is defined as
Re=ρvdη
where symbols have their usual meaning and d is the dimension of the boundary.
For > 2000, the flow is often turbulent.
