Chapter Notes – Alternating Current Circuit
A current which flows first in one direction in a circuit, called the positive direction, then in the reverse direction or negative direction is called alternating current. This cycle shown in figure is repeated again and again and has an average value of zero over a period. Since the variation of the current strength is sine wave as shown in figure, the value of current at any instant say t seconds after it had zero value will be given by the following expression:
i=Imaxsinωt
where i is the value of current at time t and Imax is the maximum value of the current and ω is the angular frequency ( =2πf, f being frequency).
Both the emf and current undergo a complete cycle of changes, having positive and negative value, every time wt changes by 360o or 2π radians as shown in figure.
Different Forms of a.c. emf
The variation of A.C. quantity is sinusoidal hence can be expressed as:
e=Emaxsinωt as ω=2πf, we have
e=Emaxsin(2πft) since f=1/T, we have
e=Emaxsin(2πTt)
Phase of An A. C. Quantity
Phase of an A. C. quantity represents the fraction of the time period of that alternating quantity that has elapsed since the current last passed through the zero position of reference. Phase is also expressed in terms of angle in radians. For example phase at A is T/4 second or π/2 radians. In electricity we are more concerned with the phase difference rather than absolute phase of an alternating quantity. Phase difference between quantities indicates the lag or lead of an alternating quantity with respect to other.
A leading quantity is the quantity which reaches maximum (or zero) value earlier as compared to the other quantity, while lagging alternating quantity is one which reaches its zero or maximum value later than the other quantity. In figure two alternating quantities are shown quantity A leads B by an angle ϕ. Hence their equations are
iA = Imax sin wt and iB = Imax sin (ωt + ϕ)
Effective Virtual or R. M. S. value of a Quantity
The r. m. s. (or effective apparent) value of an alternating current is the value of the direct current which produces same amount of heat in the same time in the same conductor. An alternating current is not steady but varies from instant to instant. If i1, i2, i3, …….. in are instantaneous currents r. m. s. value will be
Imax=i21+i22+.........+i2nn−−−−−−−−−−√
we can also expresses this value as
Ir.m.s.=Imax/2–√=0.707Vmax
Similarly Vr.m.s.=Vmax/2–√=0.707Vmax
Mean or Average Value of an Alternating Quantity
The mean value or average value (Iav) of an alternating current is equal to the steady current which transfers across any circuit the same charge as is transferred by the alternating current during the same time.
In case of sinusoidal or symmetrical alternating current, the average value over complete cycle is zero. Hence in these cases the average value is obtained by integrating the instantaneous values of alternating quantity over half cycle only. The alternating currents average value is given by
Iav=2Imaxπ or Iav=0.637Imax
Form Factor
The ratio of the root mean square (r.m.s.) to the average value of an alternating current gives an indication of the shape of the wave and is known as its form factor and is denoted by K i.e.
Form factor K=Ir.m.s.Iav=0.707Imax0.637Imax=1.11
Thus for sine wave form factor is 1.11
Representation of AC Current and Voltage by Rotating Vectors
A phasor is a vector which rotates about the origin with angular speed ω, as shown in the fig. given below:

The vertical components of phasors V and I represent the sinusoidally varying quantities v and i. The magnitudes of phasors I and V represent the amplitudes or the peak values vm and im of these oscillating quantities. The projection of voltage and current phasors on vertical axis, i.e., vm sinωt and im sinωt respectively represent the value of current and voltage at that instant.
A.C. Circuit containing Resistance Only (Resistive Circuit)
In a circuit containing pure resistance (ohmic) only i.e. free from any inductance or capacitance in the circuit, the current and potential difference between any two points is given by i = v/R where i and v are instant current and voltage respectively and R is the resistance between the points. The emf applied is
v=Vmaxsinωt
and the current i=vmaxRsinωt, Imax=VmaxR
or i=Imaxsinωt
This shows that the current and voltage are in phase. Graphically it is shown in figure (a) and vectorically in figure (b).
The power in a circuit is given by P(=v×i)
hence P=Imaxsinωt×Vmaxsinωt
or P=12ImaxVmax(1−cos2ωt)
The power consists of a constant part ½ Imax Vmax/2 and a variable part
½ ImaxVmax cos 2ωt. The average value of variable part of power over a cycle is zero. Thus the average power for one cycle is
P=12ImaxVmax=Imax2√×Vmax2√=Ir.m.s.Vr.m.s.

A.C. Circuit Containing Inductor Only (Inductive Circuit)
Consider a circuit having no ohmic resistance and only inductance L as shown in figure. When an A. C. current is passed through this circuit a magnetic flux is set up which induces alternating emf in the inductance which is L(di/dt) and opposes the variation of current through it at every instant. If the applied voltage is vmax sin ωt we have
Ldidt=Vmaxsinωt
Integrating above relation we have
i=Imaxsin(ωt−π2) where Imax=VmaxωL
From the above relation it is clear that there is a phase difference of p/2 between voltage and current i.e. current lags voltage by π/2 radians. Graphically, the voltage and current wave are as shown in figure (a) and vectorically as shown in figure (b).
The quantity ωL is called inductive reactance or reactance and denoted by
XL(=ωL=2πfL). The power in an inductive circuit is given by
P=−12VmaxImaxsin2ωt
As there is no constant term in power expression, hence the average power in a pure inductive circuit is zero. This is called wattles power.
A.C. Circuit Containing Capacitance Only (Capacitive Circuit)

When an alternating voltage is applied to the plates of the capacitor, they are first charged in one direction and then in the opposite direction. If the applied voltage is v=Vmaxsinωt, the potential difference between the plates at any instant will be v=q/c=Vmaxsinωt and the current (dq/dt) is given by
i=Imaxcosωt=Imaxsin(ωt+π2)
where Imax=Vmax(1/ωC)
From above relation it is clear that current leads the applied voltage by 90o or π/2. The quantity 1/ωC is called reactance or capacitive reactance and denoted by XC.
The voltage and current waves are as shown in figure (a) and vectorically as shown in figure (b).
The power in the circuit is given by
P=VmaxsinωtImaxcosωt=12VmaxImaxsin2ωt
Thus the average power consumed in a pure capacitive circuit is zero.
Resistance and inductance in series A. C. Circuit
In a circuit containing a pure inductance L and a pure resistance R connected in series as shown in figure, when an A. C. voltage is applied in this circuit, the voltage drops on the resistance say vR(= iR in phase with current) and on the L say vL (= ωL), leading the current by 90o. These voltages are shown by the vector diagram in figure.
The resultant voltage is given by
v=v2L+v2R−−−−−−√
and i=vR2+X2L√
The term is called impedance of the circuit and denoted by Z (its units are ohm) i.e.
Z=R2+X2L−−−−−−−√
The triangle whose sides are proportional to the voltages are called voltage triangle (fig.(a)) and a triangle whose sides are proportional to R, XL and Z is called impedance triangle (fig.(b)).

Average power in R and L in series circuit when A. C. current passes is given by
P=Vr.m.s.Ir.m.s.cosϕ
where ϕ is the angle by which vector v leads the vector i. The value of cos ϕ (=R/Z) is constant for a given circuit and is known as power factor. It is defined as the factor by which product of rms current and voltage should be multiplied to have true power in watt.
If ϕ is 90o i.e. cos ϕ = 0, the ohmic resistance of the A. C. current is zero and the average power also remains zero, i.e. inspite of flow of current there is no dissipation of energy. The current in such a circuit is called wattles current. In practice we can not have a resistance free circuit and hence wattles current is not a reality.
Resistance and Capacitance in Series A. C. Circuit
Such a circuit having resistance, capacitance in series with an A. C. source is shown in figure.
The voltage and current vectors are as shown in figure. The voltage and impedance triangles are shown in figure are given as

v=v2R+v2c−−−−−−√ and Z=R2+X2C−−−−−−−√
where XC=1/ω C is capacitive reactance.
The power consumed p=v.i=Vr.m.s.Ir.m.s.cosϕ
RLC Series A. C. Circuit
A circuit having resistance R, inductance L and capacitance C in series with an A. C. source shown in figure.
The voltage drop across resistance R be VR in phase with current, voltage drop across inductance L be VL leading the current by 90o and voltage drop across capacitance C be vc lagging the current by 90o. The resultant of vL and vC, (vL – vC) leads the current by 90o, provided (vL > vC) and will lag current by 90o if vC > vL. The resultant voltage is given by

v=v2R+(vL−vC)2−−−−−−−−−−−−−√
and the impedance is given by
Z=R2+(ωL−1ωC)2−−−−−−−−−−−−−−√
The voltage triangle and impedance triangle are shown in figure

When ωL>1/ωC
The net reactance ωL−1/ωC is positive hence f is also positive as a result current will lag behind voltage or voltage leads the current.
When ωL=1/ωC
The net reactance is zero hence ϕ=0 and the voltage and current are in phase and impedance is equal to the resistance.
When ωL<1/ωC
The net reactance ωL−1/ωC is negative hence f is also negative and the current leads the applied emf.
Series resonance circuit
The effective reactance is inductive or capcitive depending upon XL > XC or XL < XC. The inductive reactance XL is directly proportional to the frequency while the capacitive reactance is inversely proportional to the frequency. At certain frequency both reactances become equal and this frequency is called resonance frequency. At resonance frequency XL = XC or ωL=1/ωC i.e.
ωr=1LC−−−√ or fr=12π1LC−−−√ Hz
The current and voltages are in phase as Z = R. Such circuits are called acceptor circuits. The ratio of vL or vC with applied voltage at resonant frequency is called Q-factor or voltage magnification and is given by
Q=1RLC−−√
LCR-parallel circuit at resonance
It resistance (R), capacitor (C) and inductor (L) are arranged as shown in circuits.
At resonance condition, the resonance frequency fr=12π1LC−R2L2−−−−−−−√

At resonance, the impedance of the circuit is maximum according to the following graph
At resonance, current flowing through the circuit will be minimum
Quality factor (q)
Qualitative measurement of sharpness of current peak at resonance condition in LCR circuit
Q=XLR=XCR=frΔf
Q=ωrLR=1ωrCR
another value of Q factor Q=1RLC−−√
Different types of ac circuits



TRANSFORMERS
One of the great advantages of ac over dc of for electric power distribution is that it is much easier to step voltage levels up and down with ac that with dc. For long-distance power transmission it is desirable to use as high a voltage and as small a current as possible, this reduces i2R losses in the transmission lines, and smaller wires can be used, saving on material costs.
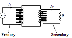
The key components of the transformer are two coils or windings, electrically insulated from each other but wound on the same core. The design of a simple transformer is as shown in the figure.
The core is typically made of a material, such as iron, with a very large relative permeability μR. This keeps the magnetic field lines due to a current in one winding almost completely within the core. Hence almost all of these field lines pass through the other winding, maximizing the mutual inductance of the two windings. The winding to which power is supplied is called primary, the winding from which power is delivered is called the secondary .The circuit symbol for a transformer with an iron core, such as those used in power distribution systems, is

Here’s how a transformer works. The ac source causes an alternating current in the primary, which sets up an alternating flux in the core, this induces an emf in each winding, in accordance with Faraday’s law. The induced emf in the secondary gives rise to an alternating current in the secondary, and this delivers energy to the device to which the secondary is connected. All currents and emf’s have the same frequency as the ac source .
Let us see how the voltage across the secondary can be made larger or smaller in amplitude than the voltage across the primary. We neglect the resistance of the windings and assume that all the magnetic field lines are confined to the iron core, so at any instant the magnetic flux ΦB is the same in each turn of the primary and secondary windings. The primary winding has N1 turns, and the secondary winding has N2 turns. When the magnetic flux changes because of changing currents in the two coils, the resulting induced emf’s are
ε1=−N1dΦBdt and ε2=−N2dΦBdt
The flux per turn ΦB is the same in both the primary and the secondary, the above equations show that the induced emf per turn is the same in each. The ratio of the primary emf ε1 to the secondary emf ε2 is therefore equal at any instant to the ratio of primary to secondary turns.
ε1ε2=N1N2
Since ε1 and ε2 both oscillate with the same frequency as the ac source, the above equation also gives the ratio of the amplitudes or of the rms values of the induced emf’s. If the windings have zero resistance, the induced emf’s ε1 and ε2 are equal to the terminal voltages across the primary and the secondary, respectively; hence
V2V1=N2N1 (terminal voltages of transformer primary and secondary)
where V1 and V2 are either the amplitudes or the rms values of the terminal voltages. By choosing the appropriate turns ratio N2/N1, we may obtain any desired secondary voltage from a given primary voltage.
Step up and Step down Transformers
If N2 > N1, then V2 > V1 and we have a step-up transformer, if N2 < N1 then V2 < V1, and we have a step down transformer. At a power generating station, step-up transformers are used, the primary is connected to the power source, and the secondary is connected to the transmission lines, giving the desired high voltage for transmission. Near the consumer, step-down transformers lower the voltage to a value suitable for use in home or industry.
If the secondary circuit is completed by a resistance R, then the amplitude or rms value of the current in the secondary circuit is I2 = V2/R. From energy consideration the power delivered to the primary equals that taken out of the secondary (since there is no resistance in the windings), so
V1I1=V2I2 (currents in transformer primary and secondary)
We can combine the above equations and the relation
I2=V2/R to eliminate V2 and I2; we obtain
V1I1=R(N2/N1)2
This shows that when the secondary circuit is completed through a resistance R, the result is the same as if the source had been connected directly to a resistance equal to R divided by the square of the turns ratio, (N2/N1)2. In other words, the transformer “transforms” not only voltages and currents, but resistances as well. More generally, we can regard a transformer as “transforming” the impedance of the network to which the secondary circuit is completed.
Efficiency of a Transformer
In an ordinary transformer , there is some loss of energy due to primary resistance, hysteresis in the core, eddy currents in the core etc. The efficiency of a transformer is defined as
η=outputpowerinputpower
Efficiencies of the order of 99% can be easily achieved.
Application 1
A radio set operates at 6 V DC. A transformer with 18 turns in the secondary coil is sued to step down the input 220 V AC emf to 6 V AC emf. this AC emf is then rectified by another circuit to give 6 V DC which is fed to the radio. Find the number of turns in the primary.
Solution:
We have,
∣∣ε2ε1∣∣=N2N1
or N1=∣∣ε1ε2∣∣N2=2206×18=660
LC OSCILLATIONS
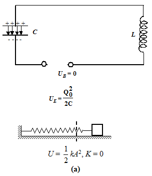
The ability of an inductor and a capacitor to store energy leads to the important phenomenon of electrical oscillations. Figure (a) shows a capacitor with initial charge Qo connected to an ideal inductor having no resistance. All the energy in the system is stored in the electrical field:
UE = Q2o2C
At t = 0, the switch is closed and the capacitor begins to discharge (see b). As the current increases, it sets up a magnetic field in the inductor, and so part of the energy is stored in the magnetic field, UB = 12LI2. When the current reaches its maximum value Io, as in Fig. (c), all the energy is in the magnetic field : UB = 12LI20. The capacitor now has no energy, which means Q = 0. Thus, I =0 when Q = Q0 and Q = 0 when I = I0. The current now starts to charge the capacitor, as in figure (d). In figure (e), the capacitor is fully charged, but with polarity opposite to its initial state in figure (a). The process just described will now repeat itself till the system reverts to its original state. Therefore the energy in the system oscillates between the capacitor and the inductor. As the block-spring system shown in the diagram suggests, the current and the charge in fact undergo simple harmonic oscillations. We will pursue the analogy later.



The oscillations in an LC circuit are analogous to the oscillation of a block at the end of a spring. The figure depicts one-half of a cycle.
Consider the situation depicted in Fig (b) and redrawn in figure (f). The current is increasing (dIdt>0), which means the induced emf in the inductor has the polarity shown, so
Vb < Va.

Fig(f) At the instant depicted the current is increasing, so the polarity of the induced emf in the inductor is an shown.,
According to Kirchoff’s loop rule,
QC−LdIdt=0
In order to relate the current in the wire to the charge on the capacitor, we note that the current causes the charge Q on the capacitor to decrease, so
I = –dQdt
With this, the loop rule becomes
d2Qdt2+1LCQ=0
Fig. (f) At the instant depicted the current is increasing, so the polarity of the induced emf in the inductor is an shown.,
This has the same form as equation for simple harmonic oscillation.
d2xdt2+ω2x=0
The charge therefore oscillates with a natural angular frequency
wo = 1LC√
Application 2
In an LC circuit, as in fig. (f), L = 40 mH, C = 20 µF, and the maximum potential difference across the capacitor is 80 V. Find
(a) the maximum charge on C
(b) the angular frequency of the oscillation
(c) the maximum current
(d) the total energy
Solution
(a) Qo = CVo = (2 x 10-5 F ) (80 V) = 1.6 x 10-3 C
(b) The angular frequency is
wo = 1LC√=1(4×10−2H)(2×10−5F)√ = 1120 rad/s
(c) The maximum current is
Io = woQo = (1120 rad/s) (1.6 x 10-3 C) = 1.79 A
(d) The total energy is simply the initial energy of the capacitor
U = Q2o2C=6.4×10−2 J
